Der TDA ist ein ziemlich universeller Verstärker, der ganz wie ein OPV angeschlossen wird. Im folgenden sollen einige Schaltungen mit dem 2030 vorgestellt werden.
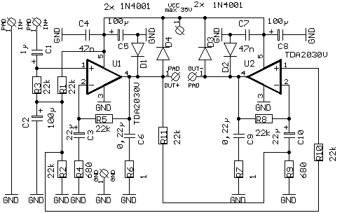
Der von mir eingesetzte Verstärker besteht aus zwei im gegentakt geschalteten TDA2030 IC'2, welche somit eine maximale Leistung bei gegebenen 12 V erziehlen. Es könnt eine Betriebsspannung bis maximal 35 Volt angelegt werden, doch dann wird auch dei Verlustleistung sehr groß. Und schlieslich sind die 2030 mit Überlastschutz ausgestattet, was dann irgendwann den Strom reduziert, und somit den Klang total verzerrt. Hier also die Schaltung der Verstärker.Die maximale Sinusleisung ergibt sich nach folgender Formel: Pmax = Ub2/(2 x R). Die tatsächliche Leistung ist etwas weniger, da die Schaltkreise selbst ein paar Verluste haben.
Ganz wichtig ist es, daß der Ausgang keinen Bezug zu Masse hat. Damit meine ich, daß es tödlich vür die Schaltung sein kann einen Ausgang mit Masse zu verbinden. Beide Anschlüsse müssen direkt an einen Lautsprecher oder eine andere Last geklemmt werden.
Es muß ein ausreichend großer Kühlkörper eingesetzt werden, um die Verlustleistung abzuführen. Sonst kann der Thermoschutz ansprechen.
Hier gibt es jetzt mal zwei Bilder. Zwei Verstärker sind zu einem noch provisorischen Verstärker mit Klangreglung und Netzteil zusammengebaut. Es soll noch ein CDROM Laufwerk als CD Player dazu kommen. Per Tasten und LCD will ich letztendlich dann die Quellen wählen, evtl sogar mischen können und den Klangregler einstellen.


Datenblatt des TDA2030
Schaltplan und Platine als Cadsoft Eagle FileFragen,
Anregungen, Kritik und Korrekturhinweise könnt ihr an mich senden.
Diese Seiten wurden zuletzt am 19:43 04.06.02 aktualisiert
seit 28. Mai 2001 im Bereich Elektronik